Добрый день
Не знаю, стоит ли создавать новую тему, продолжу в этой
Подскажите, а в каком коде ЦАП принимает отсчеты? По экспериментам похоже на обратный код со смещением, но что-то я не уверен, а в документации не нашёл.
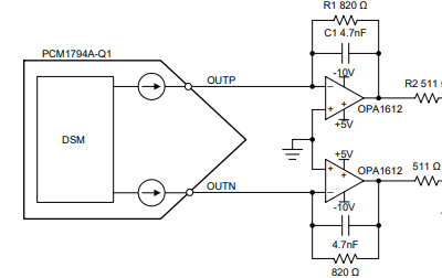
И второй вопрос: можно ли использовать данный ЦАП в полностью дифференциальной схеме, “по мотивам” TI SBAA333?:

Попробовал проэкспериментировать - не получилось.
Более того, почему-то не работает даже по варианту штатной схемы, когда IoutP (выв. 24) подключён к GND, но вместо внутреннего резистора RFB используется внешний сопротивлением 2 кОм в цепи обратной связи ОУ - непонятно, почему так..